Link removed. These are fake/remarked 66MHz chips
Last edited:
| Bus Speed | Pin 5 | Pin 6 | Pin 7 | Pin 8 | Pin 9 |
| 60.2 MHz | S | x | x | S | x |
| 60.2 MHz | S | S | x | S | x |
| 78.8 MHz | x | S | S | x | S |
| 78.8 MHz | x | x | S | x | S |


It should be simple to work out. Desolder the XPC106 and then beep out where the relevant pads on the BGA footprint go to.I think the Cypress CY2271A pull those missing two pins depending on the logic of the EEPROM it's connected to, but I could be wrong and they are pulled( programed ) by resister logic.
@joevt found the missing data to set the extra pins on the B&W/Yikes and there is a resister that can be removed to unlock 133Mhz Bus operation.
If we had a scope we could likely figure out what needs to be done for the Beige to unlock 100MHz bus operation. Sadly I lost my scopes in a fire many years ago, and really saw no reason to replace them.
I do wonder if the remaining unusused 2 go to pull up/pull down resistors on the motherboard somewhere
Hmmm......View attachment 2408016
This is a screenshot from the relevant page of the Gossamer DVT schematics, looks like we have our answer?
View attachment 2408028
hah I see you got the schematics that I was sent and forwarded onwards to my good friend who obviously forward them on to youView attachment 2408016
This is a screenshot from the relevant page of the Gossamer DVT schematics, looks like we have our answer?
View attachment 2408028
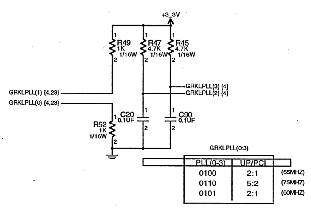
It’s 1000, according to the MPC106 datasheet posted earlier. Remove R52 and R49, giving access to GRKLPLL0 and 1 which should be pulled high and low, respectively. Pins 5 and 6 should be set on the jumper block, which will pull PLL2 and PLL3 low. Super easy to do.So you are able ti identify the correct setting for 100MHz?
hah I see you got the schematics that I was sent and forwarded onwards to my good friend who obviously forward them on to youindeed it looks like I was bang on the money about the last 2 PLL pairs
sadly im not currently in a position to mess with things, but its very promising![]()
Yep, I saw the warning over on the other forums, that’s a real shame as well!(also Be warned the 100Mhz MPC106/XPC106's on UTSource are fake, I mean they are real 106's but remarked, slower ones that cant clock to 100Mhz)
The data sheet says for 3:1 to set PLL (0) only.View attachment 2408016
This is a screenshot from the relevant page of the Gossamer DVT schematics, looks like we have our answer?
View attachment 2408028
That sounds right, yes.The data sheet says for 3:1 to set PLL (0) only.
PLL(0) doesn’t go to any pins that you can set. It goes to one side of resistor R52.So is PLL(0) pin 5?
Yikes, I was just about to order one, please remove the link if you can still edit it.Yep, I saw the warning over on the other forums, that’s a real shame as well!
Ok so pins 5 and 6 are PLL(2) and PLL(3)?That sounds right, yes.
PLL(0) doesn’t go to any pins that you can set. It goes to one side of resistor R52.
DoneYikes, I was just about to order one, please remove the link if you can still edit it.
Thats right.Ok so pins 5 and 6 are PLL(2) and PLL(3)?
Yep, exactly.PLL(0) R52
PLL(1) R49
PLL(2) Pin 5
PLL(3) pin 6
Correct?
So to pull R52 high we use a resistor?Yep, exactly.
Technically you probably don’t have to but it’s best practice, the precise value isn’t critical but you could use a 1K or a 4.7K resistor for example.So to pull R52 high we use a resistor?
no, this chip has issues @83MHz, no way it will do 100MHz.Are you going to attempt this with a 66MHz rated Grackle chip?
@LightBulbFun I see you are also from London… I’m tempted to ask if I could borrow your hot plate/board preheater to do the mod 😬😉 but not sure you would be comfortable with that!!
but I would ask that you dont sacrifice a nice Yikes! board for its 100Mhz Grackle, I would advise looking for a less rare/desirable Rev A blue and white board insteadHowever I do have a genuine 100MHz XPC106 chip on a Yikes board and I just bought a spare beige motherboard to mess around with. I WILL do the mod.
im afraid I would like to keep ahold of it at this time![]()
but I would ask that you dont sacrifice a nice Yikes! board for its 100Mhz Grackle, I would advise looking for a less rare/desirable Rev A blue and white board instead![]()
Of course, no worries at all.
I think you might be overstating the desirability/rarity value of these boards. I picked this machine up for about £20 expressly to put the G4 ZIF into a Beige machine, so it was always my intention that it was going to be a parts machine. Preserving a machine I don't really want to keep around, that's worth almost nothing, is a lot less of a fun option than harvesting it for experimentation; in this case, quite worthy experimentation.
What is it that makes the Rev. A B/W G3 boards unreliable, specifically? If it's the ATA/33 IDE controller then this could be lifted from the Yikes board and donated to someone who needs one.
sadly your attitude towards the Yikes is exactly are part of the reason Yikes! are quite scarce and rare, no one on the big scheme of things, cares about them
I would ask that you dont sacrifice a nice Yikes! board for its 100Mhz Grackle