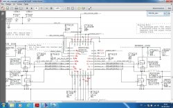
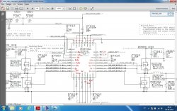
Trying to figure out how to order this Inductor from my MBP 13" 2010.
It is at the Firewire port
CRITICAL L4310 FERR-250-OHM
Can anyone help?
It looks like a big resistor.
I am trying to find it at Digikey, but the schematic does not give the specifics
That is a ferrite bead used for EMI control. In a pinch you should be able to just short it out and the only side effect could be higher interference to surrounding equipment. It would at least allow you to check out if the circuit is working.
----------
Thank you, cmdrdata.
However, I cannot do much with the backlight problem until I can get this MBP to boot up. With SMC bypass I do not see the LCD display come up. I had replaced the LED driver and had to solder a cap. I unfortunately had battery connected when I soldered the cap and realized too late (should not have been working on this so late in the evening!). Thus I now have a non-booting MBP.
Before this, I had a working MBP with no backlight.
No hand shakes required
What specific Cap were you soldering when things went South?
As the Commander indicated there are all sorts of power supplies that need to be good in order to get the logic board to boot.
 
 
		 
 
		 
 
		