Search for "LT3470A"I have already searched for the lt3470, but the results are more then one. Witch one is the right?
Thank you, once again.
Second one that comes up.
I bet your diode is not bad!
Search for "LT3470A"I have already searched for the lt3470, but the results are more then one. Witch one is the right?
Thank you, once again.
Hey, why give up so easy that IC chip is $6 and pretty easy to replace!
that ic chip required a heatflow station and i dont have those!!
Anyway because you guys helped me so much i have now been promoted in my job and due to your extended knowledge i have had many macs ripped apart and diagnosed faults using this thread. 😀 Top Class
now i have a A1278 , corrosive damage, cracked lcd, and burnt out magsafe board.....😱
Cleaned corrrosion, replace magsafe, replaced screen, but power button will not power board so i did gehot pin 5-6 switch and booted fine😀. but keyboard is dead touch pad is good. what do i replace now????
Is it the key board or power button or both?
ps will macbook a1342 lcd fit macbook a a1287?
Keyboard and power switch are all in one. You have to replace the keyboard. Not uncommon in liquid spills.
Unibody to non unibody lcds are not the same.thanks dadioh im on it!!
that ic chip required a heatflow station and i dont have those!!
Anyway because you guys helped me so much i have now been promoted in my job and due to your extended knowledge i have had many macs ripped apart and diagnosed faults using this thread. 😀 Top Class
now i have a A1278 , corrosive damage, cracked lcd, and burnt out magsafe board.....😱
Cleaned corrrosion, replace magsafe, replaced screen, but power button will not power board so i did gehot pin 5-6 switch and booted fine😀. but keyboard is dead touch pad is good. what do i replace now????
Is it the key board or power button or both?
ps will macbook a1342 lcd fit macbook a a1287?
LB Early 2011 i5, the AHT reveals issue with one of the voltage sensors with the reading 0.592 V which is below the lower range.
Dadioh/cmdrdata or anybody with the deeper knowledge on this issue - i'm trying locate where is that sensor on my LB. Replacing it or getting the part is not an issue.
I was trying to figure out and looked into Voltage & Load side current sensing, I replaced Q5300 both N-channel and P-channel fet which had burned legs and wrong voltage (below 12V) after replacing it i'm getting now 12V but AHT still shows the Pbus voltage rail below the range.
So where is that damn sensor? Any insight would be appriciated.
Reading below the lower range
Sensor
location: VPOR
type: Voltage
Low-Limit: 8.4V
high-limit: 12.75 V
description: P-Bus voltage
reading: 0.592 V
Is this the 15" or 13"
That would be 13' forgot to add it.
Took me a minute but i figured it out from the Q5300.
Is this the 15" or 13"
Took me a minute but i figured it out from the Q5300.
I have checked the dcin board and it seems to be functioning fine (gnd, 18v, sns, 18v, gnd), I checked the fuse on the front of the mb and it is good.
i do read 18v at this point as seen in the image i got from another post
Image
I have inspected teh board and unless i am missing something i see no physical damage to any components
If anyone can give me some idea as to what could be the cause or anything tI should test I would be most grateful!
Hey guys!
thanks for posting all this great information here! im hoping someone might be able to lead me in the right direction to fixing my macbook.
I have a 13" macbook unibody (not sure of the year) core 2 duo 2.4. it has never had any water damage or exposure to a surge that i know of (i have owned it since new)
working on it one day i noticed the green power adapter light was off and that it said not charging but it was still running fine off teh battery and continued to run till the battery died. after looking closer i noticed the light on the adapter was on just very very dim and could only be seen if i cuped my hands over it. now the computer will not power on at all smc reset has no effect booting with the keyboard disconnect from page 1 has no effect.
I have checked the dcin board and it seems to be functioning fine (gnd, 18v, sns, 18v, gnd), I checked the fuse on the front of the mb and it is good.
i do read 18v at this point as seen in the image i got from another post
Image
I have inspected teh board and unless i am missing something i see no physical damage to any components
If anyone can give me some idea as to what could be the cause or anything tI should test I would be most grateful!
If I am in your position I'd try to ensure that all the magsafe pins are clean on BOTH the plug and socket sides. Then I'd find/borrow a known good magsafe adapter and try that as my initial troubleshooting methods. From your description, since you're not getting bright green or orange LED on the magsafe, I believe your system is not fully detecting the magsafe and since the battery is depleted, you then have a no start condition.
PBUS is kinda generic. From the block diagram you attached (#907), it seemed that The Charger IC is also called the PBUS, the output of this device via the switching power FETs is 12v nominal that charges the battery as well as going through the fuse to power the system bus. So since you were able to get AHT (Apple Hardware Test) to run, I have to assume that 12v is actually available, thus I'd look first at R5400 (section 5D) and the chip that reports the voltage U7600 ISL95870, R7640 for the voltage sensed, and the logic signal that says power is good from that chip.
Here are a few quick checks.
Down near the battery connection there is a white bodied component that is the fuse that protects the main 12V supply to the board. If you (carefully) measure the voltage on both ends of the fuse then you should see a little over 12V. If not, check that fuse.
If you do not have power at the input to that fuse then the other fuse is on the underside of the board near the magsafe. That is the main fuse on the 18.5V input from the magsafe.
If that fuse doesn't have 18.5V at its input then you probably have a bad magsafe board. Give it a visual inspection for damage.
Today the MBP donot start at all and the mega safe not show any thing. I have 16.5v on the main fuse close to the DCin but i receive no voltage on the second fuse close to the battery. i receive no V onnon side of the fuse.
I replace the fuse but still the same. what could has happend!!???
By the way G3hot have only 1.2v?
thanks for all help.

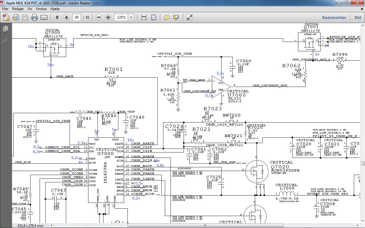
Hello,
I have a A1278, Unibody mbp 13" that will not power up. The problem seems to be in charging circuit - IC U7000. There is no 12,5V voltage output on PPBUS_G3H.
Please see the image attached.
I tried to isolate the problem but nothing seems to help. If someone have a good board please will you send a measurements of voltages.
View attachment 364791
Thanks mac.
What do and other think the problem is? Could it be U7000? In some of mb and mbplogic boards I had it was mostly Phase and UGate that was shorted to ground but this one is ok. No short around IC.