Become a MacRumors Supporter for $50/year with no ads, ability to filter front page stories, and private forums.
Good evening !

I have some spare time and some time to burn and computers are my hobby and profession since more than 30 years. So I did some research and found the SMC thread and the backlight threat amazingly interesting.

As I was soldering a lot and have good understanding about electronics I decided to get back into it after many many years.

I am damn sure, that I will have many questions in the future and might bother some of you (if not all) with my struggles to bring life back into my 2 macbooks that just arrived from the US.

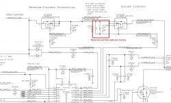
For now I just want to say hello and thanks for all the know how provided ! I have prepared myself a bit and found some schematics and boardviews in chinese forums. Maybe this helps, to understand my future questions, so I publish them here for everyones pleasure !

Take care everyone,
Sambolero
View attachment 398632

View attachment 398633



HI Sambolero,

That's great you are sharing schematics & Board views of this A1278 Logic board! I tried to google it and it's almost impossible to find Board view files of Apple Logic boards.. may I ask you to share with us your source ? I need the Board view of LB 820-2915-B (I7 15" early 2011) & LB 820-2936-B (early 2011)

If anyone could help me I even pay for that..

Kind Regards

----------

New to this forum:
Just a few question that I hope someone with more experience than I might be able to point me in the right directions.

I received an A1278 13” mid 2010 i5 macbook with what looked like minor water damage. Tested logic board without the keyboard connected and it booted fine.
Replaced keyboard and everything works great again.

The issue is when charger is attached there is neither a green or orange light on charger. When booted in the upper right of the display shows 41% and the battery indicator symbol shows the charger is connected. As long as you have the charger attached the battery level does not change either up or down.The system will boot with only battery, but will not with just the charger

System Report shows Charge remaining: 2339 Fully Charged: No Charging: No
Full: 5664 Cyc: 3 Condition: Normal Battery Installed: Yes Amp: 0 Voltage: 11402

AC Charger info: Connected: Yes Charging: No Have tried a couple of magsafe chargers, replaced the magesafe also.
SMC has been tried
Logic board 820-2879B

Have full setup for testing voltages. I have the board Schematic and board view need to know what to look for and where.
Thanks in advance for any help!!!


Dear Southwest,

Can I kindly ask you to share with us the schematics & board view of this board?
I really cannot find a valid source where to buy it..

Thanks in advance

Pecociulo
 
Hello

I need help :confused:

The macbook charges battery and G3Hot is fine. But it wont start by pushing power buton or shorthing the G3Hot pads.

Appreciate the help from you :)

Thanks

Good job providing detailed info.

The only supply that will have a voltage at this point is the 3.3V supply as you have noted. The 5V, CPU, etc... will not be enabled until the power sequencing has progressed to that point. However, your board is not getting out of the starting gate. It is good that you have G3HOT so that at least the basic circuitry comes up like charger and basic SMC function but the SMC is detecting something wrong and not allowing power sequencing to proceed.

Have you tried the SMC bypass method described in the first post? If that also is not working then there are quite a few different things that could be wrong so no simple step by step is possible. Detailed diagnostics required.
 
a1278 Non pro Macbook broke off components identification

Anyone have spare board might could measure these broke off resistors and capacitors or point me to page on schematic to find? Thankx
 

Attachments

  • Photo on 2013-03-12 at 21.04.jpg
    Photo on 2013-03-12 at 21.04.jpg
    367.1 KB · Views: 1,939
  • Photo on 2013-03-12 at 21.21.jpg
    Photo on 2013-03-12 at 21.21.jpg
    141.8 KB · Views: 1,106
  • Photo on 2013-03-12 at 21.27.jpg
    Photo on 2013-03-12 at 21.27.jpg
    123.3 KB · Views: 1,268
Last edited:
HI Sambolero,

That's great you are sharing schematics & Board views of this A1278 Logic board! I tried to google it and it's almost impossible to find Board view files of Apple Logic boards.. may I ask you to share with us your source ? I need the Board view of LB 820-2915-B (I7 15" early 2011) & LB 820-2936-B (early 2011)

If anyone could help me I even pay for that..

Kind Regards

----------




Dear Southwest,

Can I kindly ask you to share with us the schematics & board view of this board?
I really cannot find a valid source where to buy it..

Thanks in advance

Pecociulo

Here is the viewer and the 820-2879B Brd. View
Under Comp. just type the part number (U6900) and it will highlight it for you.
 

Attachments

  • landrex.zip
    86.6 KB · Views: 1,827
  • A1278 820-2879 (file).brd.zip
    437.8 KB · Views: 2,876
  • A1278-820-2879.pdf
    1.4 MB · Views: 2,870
Thanks Dadioh...
Just rechecked Pin 5 after checking the solder connections and have 0.13v on pin 5. I think I will replace U6901 and recheck.
Will let you know the results
Thanks again for the help!


Hi Southwest,

I think I have exactly your issue.. May I ask you where did buy the
U6901 component? I can't find anything on Ebay with this name..

Ps. Thanks also for schematics and board view.. now everything is much clear!

Thanks in advance
 
Hi Southwest,

I think I have exactly your issue.. May I ask you where did buy the
U6901 component? I can't find anything on Ebay with this name..

Ps. Thanks also for schematics and board view.. now everything is much clear!

Thanks in advance
Pecociulo,
I ordered 10 pcs from a dealer in Asia, they are due here next week Monday the 18th and if you would like to wait I will share, or you could try as I did to buy a parts board from the Bay which had the part I needed but was way to expensive.
 
Pecociulo,
I ordered 10 pcs from a dealer in Asia, they are due here next week Monday the 18th and if you would like to wait I will share, or you could try as I did to buy a parts board from the Bay which had the part I needed but was way to expensive.

Hi Southwest

I also would like to order it from Ebay or dealer in Asia but my problem is that I don't know the exactly name of this component.. therefore it's almost impossible to order something that you don't even know the name..:).

Could you tell me the name or the ebay link of this component?

Thanks a lot the patience..

Pecociulo
 
Anyone have spare board might could measure these broke off resistors and capacitors or point me to page on schematic to find? Thankx
The laptop shows classic signs of nvidia gpu fault im not even shure if these components would stop from booting I shall reflow and return
 
Last edited:
Good job providing detailed info.

The only supply that will have a voltage at this point is the 3.3V supply as you have noted. The 5V, CPU, etc... will not be enabled until the power sequencing has progressed to that point. However, your board is not getting out of the starting gate. It is good that you have G3HOT so that at least the basic circuitry comes up like charger and basic SMC function but the SMC is detecting something wrong and not allowing power sequencing to proceed.

Have you tried the SMC bypass method described in the first post? If that also is not working then there are quite a few different things that could be wrong so no simple step by step is possible. Detailed diagnostics required.



Hi

I have tried the SMC bypass method but no luck. Somethimes the magsafe goes dim green when I do this.

The board is waterdamaged and there was small damage around the LCD connector. Some of the legs was oxidated off, but now this is soldered so should be good again.

Thanks :)
 
The laptop shows classic signs of nvidia gpu fault im not even shure if these components would stop from booting I shall reflow and return

i'm afraid the 13" is not known to have faulty GPUs. Doesn't mean it is impossible. I do have a 13" MBP (2009) here, which also shows symptoms like power on black screen, and sleepwake blackscreen. but it will run without a problem once booted.
 
i'm afraid the 13" is not known to have faulty GPUs. Doesn't mean it is impossible. I do have a 13" MBP (2009) here, which also shows symptoms like power on black screen, and sleepwake blackscreen. but it will run without a problem once booted.
Im also with you on that 2008 model nvidia I would thinkl still have this problem check this thread https://forums.macrumors.com/threads/1268755/ if anything the reflow should help other joints
 
Last edited:
Hi everyone, i am very glad that i found this post.

I am basically a noob on fixing macs... and i don't really know much about circuits and voltages similar stuff...

I am majored in programming & 3d graphic design
Anyways.. i ended up fixing computers and selling them to make money for living...

Alright, back on topic...
From the previous months, i ended up with about 12 (out of 62) Macbook pros (2006-2008) A1226, A1150, etc...
these 12 units all shares the same characteristics - they wont boot unless i do the SMC reset thing - then - i can get it to boot and run with high fan-during SMC reset the power cable doesn't light up, but if i unplug it and replug it, then it would turn green; however, when it is green i wont be able to boot it unless i do the smc reset again....

I poped out a few boards and checked basically everything, they seem perfectly fine...

Anyone have any idea on how i can perhaps boot them normally without going thru the smc reset method everytime?
Can i remove or disable the SMC (the real SMC bypass method)
Again, i don't have any curcuit or voltage measure equipments... all i can access is a soldering station.

Anyone? any suggestions? Thank you very much and i'd appreciate any help
 
HI Sambolero,

That's great you are sharing schematics & Board views of this A1278 Logic board! I tried to google it and it's almost impossible to find Board view files of Apple Logic boards.. may I ask you to share with us your source ? I need the Board view of LB 820-2915-B (I7 15" early 2011) & LB 820-2936-B (early 2011)

If anyone could help me I even pay for that..

Hi, Pecociulo !

First, there are some sites, where you can purchase board views. I found that our colleagues in China are a lot into repairs and are exchanging board views openly. But they are not using the 820-xxxx-x numbers, they use shorts like K6 or K90 . Searching for those on google brought me to some forums purely in Chinese. Google translate enabled me to register and download my file, but I was kicked out of the forum after 3 days. They discovered the spy !
It was a big hassle and probably worth spending 20 bucks instead of burning many hours to get it for free.

Cheers,
sambolero
 
Hi, Pecociulo !

First, there are some sites, where you can purchase board views. I found that our colleagues in China are a lot into repairs and are exchanging board views openly. But they are not using the 820-xxxx-x numbers, they use shorts like K6 or K90 . Searching for those on google brought me to some forums purely in Chinese. Google translate enabled me to register and download my file, but I was kicked out of the forum after 3 days. They discovered the spy !
It was a big hassle and probably worth spending 20 bucks instead of burning many hours to get it for free.

Cheers,
sambolero


Hi Sambolero,

Thanks a lot for sharing your experience about the Chinese forums:):D

I'll will keep on searching online but so far no luck... Thanks anyway for your advise about the keyword to search.

If I find a reliable website I'll post the link.

Kind Regards
 
Enter the world's most annoying 820-2879. Very close to throwing this into a blender.

It works, but Q7085, SI7149DP runs BOILING hot. I replaced it, same nonsense.

I saw C7085 and R7085 are missing. The pads are missing, the component is missing, the traces going to the pads are missing. It's almost as if a comet landed on the board and little street cleaning robots cleaned up all remnants of it. Without looking at another 820-2879, I would have never seen this. There is no discoloration, no rip, no liquid remnants.

I get a 470k resistor and a 0.1 uF capacitor, and cortical coat them to what would be their original locations. Using some fine wire, one end of each goes to the source of Q7085, the other end of each goes to R7086. Since the pad & traces that connect R7086 to pin 4 of Q7085 are gone, I run a wire to make this connection as well.

At this point the board is back to the setup it had before it was beaten to a bloody pulp in its last life. Beautiful! It turns on, and Q7085 runs nice and cool. Alas, it's slow as hell. Really, badly, terribly slow.

I take the wire off of R7086 to go back to where I was. Nothing. Magsafe lights up but it wont turn the thing on. It'll even charge the battery – the magsafe adapter color will be green or orange, depending. However, it won't turn the computer on. Oy. Did I really make this worse by removing it? I try a battery on it, and now it works. It won't function unless the battery is plugged in.

I've solved no charging, I've solved not running off the battery, I've solved the machine not seeing the magsafe, and I've solved runs slow off battery/runs fast on AC adapter. This is just god damn confusing. The board has the ability to turn on and function with a power source. It has the ability to get power from the DC adapter to the battery... but it can't run off the DC adapter. This is driving me nuts. I know I am missing something silly and AC, as I usually am at 3 AM. If I figure something out, I'll post description and pictures.
 

Attachments

  • missingstuff.jpg
    missingstuff.jpg
    285.3 KB · Views: 4,294
Thanks Dadioh for your reply! So this part doesn't seem to be the issue, ok.

I was searching for the "ISL6258" IC mentioned in an earlier post , but on my 15" MBP i can't find such. There are two IC's named "ISL6236", one named "ISL6263" and one bigger one "ISL9504".

Are any of these IC's the ones i search for?

Thanks so much for your help!

One more thing i noticed: When i plug the Magsafe Adapter off my working mac while it is charging, and plug it to the broken 15" Mainboard, the led light comes up in its last state when it was plugged on the working machine. So in my case it glows orange. Even if i unplug and replug it a few times- always last state...
May this info could be helpful... ?

UPDATE: Measured Pin 14 on the "ISL6362" and got around 12.30V, and about 12.21V with only Battery connected.
Both ISL6336 give 0V.


...sadly im stuck here... Anybody an idea? Would be awesome if somebody could point me to where i should have a look at next...

Thanks in advance!
 
I bought the fuse in the link below for my mba A1370, it is about half the size of the one which I believe I should be replacing for my back light (see image). is this okay or have I bought the wrong fuse?

http://www.ebay.co.uk/itm/181091645524?ssPageName=STRK:MEWNX:IT&_trksid=p3984.m1497.l2649

Thanks a million

Yes. Looks like you bought an 0402 fuse which is what the 2008-2010 Macbook 13" used. However, the fuse in your photo looks like it is an 0603 or possibly an 0805 (but pretty sure it is 0603... check the schematic). If you can get the solder to bridge out far enough to the board pads then it would work. But otherwise order yourself an 0603 fuse.

edit: checked the schematic for a 2010 MBA and it is a 2A 0603 package. Should be the same for 2011.
 
Hello,
I am trying to repair a MBP mid 2010 motherboard (820-2879-b).
I got the schematics but I can't recognize the ICs.
My problem is that chip serigraphy is different that the name
of the component on the scheme.
Is there any table to understand the relationship between them? For example
I discovered here that LT3470 has another name on the board ...
but ISL6259 has the same name.
R7050 ... Q7080 Q 7085 ... ?

ANd ... one last question ... is a chaged battery neccesesary to
boot up this board? I read acouple of post mentioning that.

The fact is that the battery I have is completely discharged, so,
if this is the case .... I should find a method to charge it.
 
Thanks people!

I just wanted to say: NICE FORUM! It helps me a lot finding the problem in my beloved MB. I hope I learn a lot more and I'll be able to help someone in the future myself :)

Kind regards,

Rick from the Netherlands
 
Register on MacRumors! This sidebar will go away, and you'll see fewer ads.